home欢迎访问28165万彩网10网站!我公司主要生产西安电磁流量计、西安蒸汽流量计、西安雷达液位计等系列产品!phone029-81118185mail 1402253077@qq.com
行业动态
仪表知识
技术解答
联系我们
地址:西安市高新区南三环辅道34号融城东海A座10层
传真:029-81118185
E-mail:1402253077@qq.com
励磁频率选择参考 您当前的位置: 主页 > 新闻动态 > 仪表知识 >

励磁频率选择参考

作者:admin 来源:http://clickorlandohotels.com 发布时间:1649402332

西安电磁流量计
  L_mag电磁转换器提供三种励磁频率选择:即1/16工频(方式1)、1/20工频(方式2)、1/25工频(方式3)。小口径的传感器励磁系统电感量小,应选择1/16工频。大口径的传感器励磁系统电感量大,用户只能选择1/20工频或1/25工频。使用中,先选励磁方式1,若仪表流速零点过高,再依次选方式2或方式3。
 
  L_mag电磁转换器同用户传感器配套中 ,经常出现用户传感器励磁线圈电阻不符合L_mag电磁转换器要求的情况,此时,根据具体情况,可做如下处理:
 
  (1) 励磁线圈电阻小
 
  若励磁线圈电阻小于转换器要求的阻值,可用在励磁线圈回路中串联电阻的方法解决,使总阻值符合转换器要求。串联电阻的功率应大于实际产生功耗的一倍,如在250毫安电流下串10Ω电阻,其功率应选3W。
 
  (2) 励磁线圈电阻大(改变励磁电流)
 
  若励磁线圈电阻大于转换器要求的阻值,可以选择改变励磁电流的处理方法,例如历次线圈电阻为70Ω,对于250毫安励磁电流而言,线圈电阻过大,这时,可将励磁电流由250毫安改为187毫安。
 
  (3) 励磁线圈电阻大(改变线圈接法)
 
  若励磁线圈电阻大于转换器要求的阻值,可以选择改变线圈接法的处理方式,例如励磁线圈总电阻为200Ω,则每个励磁线圈电阻为100Ω,采用将上下两个励磁线圈并联的方式,则可使线圈并联后阻值符合要求。若线圈并联后阻值过小,可用串联电阻的方法解决。
 
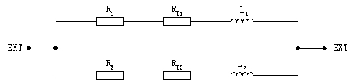
  根据上面分析,改变传感器的励磁线圈接线法,从励磁线圈两端测量,
 
  使 总电阻 = (R1 + RL1 )并联(R2 + RL2 ) ≤ 120Ω;
 
  (如图:R1、R2——外加电阻;RL1、RL2——励磁线圈电阻)
 
 
西安电磁流量计
 
  (4) 传感器励磁电流稳定时间过长(电感量过大)
 
  对于励磁电流稳定时间过长的问题,首先选用改变励磁方式的办法解决,选用1/20工频或1/25工频。
 
  若改变励磁方式的办法不能满足使用要求,则仍可采用改变线圈接法来处理。
 
  励磁电流渡越时间 τ = L / R
 
  其中:L —— 励磁线圈电感;R —— 励磁线圈电阻。
 
  因此,减小L或增大R都会使τ减小。
 
  根据上面分析,改变传感器的励磁线圈接线法,如下图:
 
西安电磁流量计
 
  R1、R2——外加电阻;RL1、RL2——励磁线圈电阻。
 
  串联电阻R1、R2后,使总电阻(R1 + RL1 )并联(R2 + RL2 ) ≤ 120Ω;

 

上一篇:KS350电磁流量计故障处理和 储存 下一篇:KS550明渠堰槽流量计特点简介28165万彩网10

热门关键词:西安电磁流量计,西安蒸汽流量计,天然气流量计厂家,西安雷达液位计,西安压力变送器

联系电话:029-81118185     地址:西安市高新区南三环辅道34号融城东海A座10层     邮箱:1402253077@qq.com

©2020 28165万彩网10 备案号: 版权所有    技术支持:西安赛腾网络

500505百万文字论坛综合资料-500308百万文字论坛-780790百万文字论坛红字-798790百万文字论坛下载-500505百万文字论坛雷锋版 u9彩票799cc-首页 旭彩网 - 首页 天天中彩票-Welcome首页 乐盈VI 28165万彩网10 佰富彩-安全购彩 旭彩网 - welcome