
KS350系我公司研发的电池供电型电磁转换器系列,该系列转换器能与普通电磁流量计传感器配套,并达到0.5级和0.2级流量测量精度。也就是说,简单地将原普通电磁流量计,换上KS350转换器,用户就开发出了全新产品-电池供电系列产品。
KS350电池供电型转换器标配一个常规锂电池组,可持续工作3--6年。若配用高容量锂电池组,持续工作时间会更长。
KS350电池供电型转换器可采用基站式无线通讯网络系统,在区域中心建立通讯基站,覆盖半径为1000米。各台电磁转换器同基站进行近距通讯(SRD模式),使用928MHZ开放频段(美国标准)。基站通过GPRS或CDMA手机通讯网络完成同管理计算机的数据通讯。此外,KS350电池供电型转换器也可直接通过GPRS或CDMA手机通讯网络完成同管理计算机的数据通讯(GPRS通讯详见通讯说明书)。
■ 工作环境温度:-20℃―50℃
■ 工作环境湿度:≦95%
■ 外壳防护等级:IP65
■ 流速测量范围:0 --- 15米/秒
■ 介质电导率: 洁净水 > 20 μs/cm
■ 适用测量通径:DN3―DN800
■ 配套精度等级:0.5级、 0.2级
■ 测 量 参 数:瞬时流量、瞬时流速
■ 记 录 参 数:流量累计总量、32组事件记录
■ 检测报警参数:流体空管检测报警
励磁电流检测报警
电池容量检测报警
■ 标定输出信号:单位体积流量脉冲
■ 无线通讯方式:SRD、GPRS、CDMA
28165万彩网10
■ 电池工作时间
| 间隔测量时间 | 50mA励磁使用时间 | 20mA励磁使用时间 |
| 15S | 50月 | 70月 |
| 14S | 46月 | 65月 |
| 13S | 43月 | 60月 |
| 12S | 40月 | 56月 |
| 11S | 36月 | 51月 |
| 10S | 32月 | 46月 |
| 9S | 29月 | 42月 |
| 8S | 25月 | 37月 |
| 7S | 21月 | 32月 |
| 6S | 18月 | 28月 |
| 5S | 14月 | 23月 |
| 4S | 11月 | 18月 |
| 3S | 10月 | 14月 |
|
励磁 方式 |
方式1 | 方式2 | 方式3 | 方式4 | 方式5 | 方式6 | 方式7 | 方式8 |
|
电池 系数 |
1.0 | 0.85 | 0.75 | 0.60 | 0.50 | 0.42 | 0.37 | 0.30 |
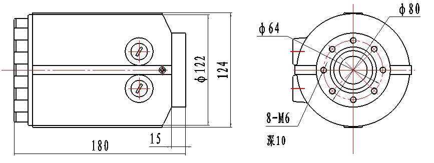
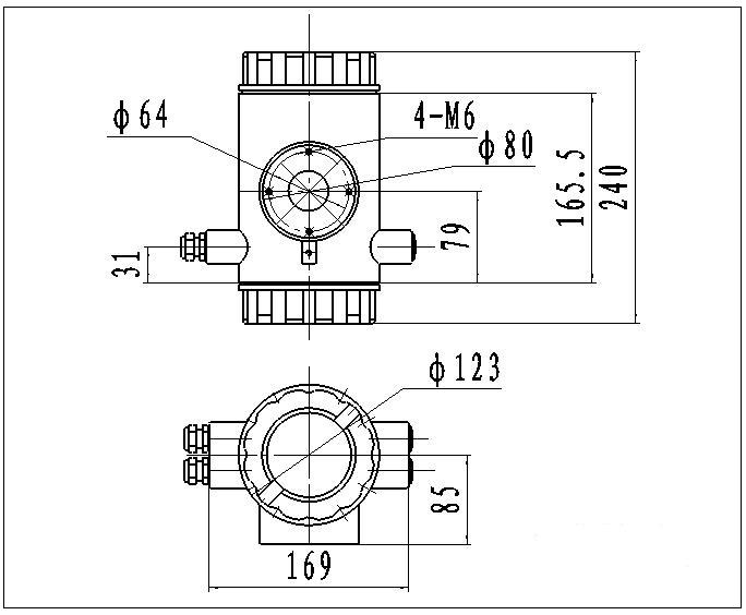
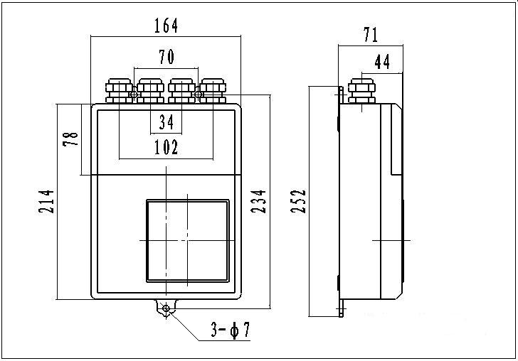
4.1圆型一体立式


