1.流量信号线
分体型转换器与传感器配套使用时,对被测流体电导率大于50μS/cm的情况,流量信号传输电缆可以使用型号为PVVP 2*0.2 mm2的聚氯乙烯护套金属网屏蔽信号电缆。使用长度应不大于100m。信号线与传感器配套出厂。信号线的处理方表可按图4.3(b)进行,圆表可按图4.3(d)进行。
本转换器提供有等电位激励屏蔽信号输出电压,以降低电缆传输的分布电容 对流量信号测量的影响。当被测电导率小于

或长距离传输时,可使用具有等电位屏蔽的双芯双重屏蔽信号电缆。 例如STT3200专用电缆或BTS型三重屏蔽信号电缆。
2.励磁电流线
励磁电流线可采用二芯绝缘橡皮软电缆线,建议型号为RVVP2*0.3mm2。励磁电流线的长度与信号电缆长度一致。当使用STT3200专用电缆时,励磁电缆与信号电缆合并为一根。
3.输出与电源线
所有输出与电源线由用户根据实际情况自备。但请注意满足负载电流的要求。
注意:当接线端子旁边的DIP开关拨向ON的位置时,由转换器内部向隔离的OC门频率输出(POUT)、报警输出(ALMH、ALML)提供+28V电源。因此,在使用频率输出与传感器配套试验时,可将DIP开关拨至ON,从POUT和PCOM接线引出频率信号。
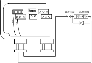
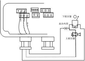
脉冲电流输出、报警电流输出外接供电电源和负载见图4.4。使用感性负载时应如图加续流二极管。
图4.4(a)电流输出接线图
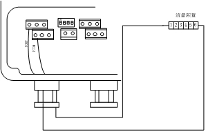
图4.4(b)电磁计数器接线
图4.4(c)电子计数器接线
图4.4(d)报警输出接线
图4.4(e)表内OC门连接方式
4. 接地线连接
转换器壳体接地端子PE应采用不小于1.6mm2接地铜线接大地。从转换器壳体到大地的接地电阻应小于10Ω。
上一篇:KS350转换器接线图标识
下一篇:KS350电磁流量计之数字量输出及计算内容介绍